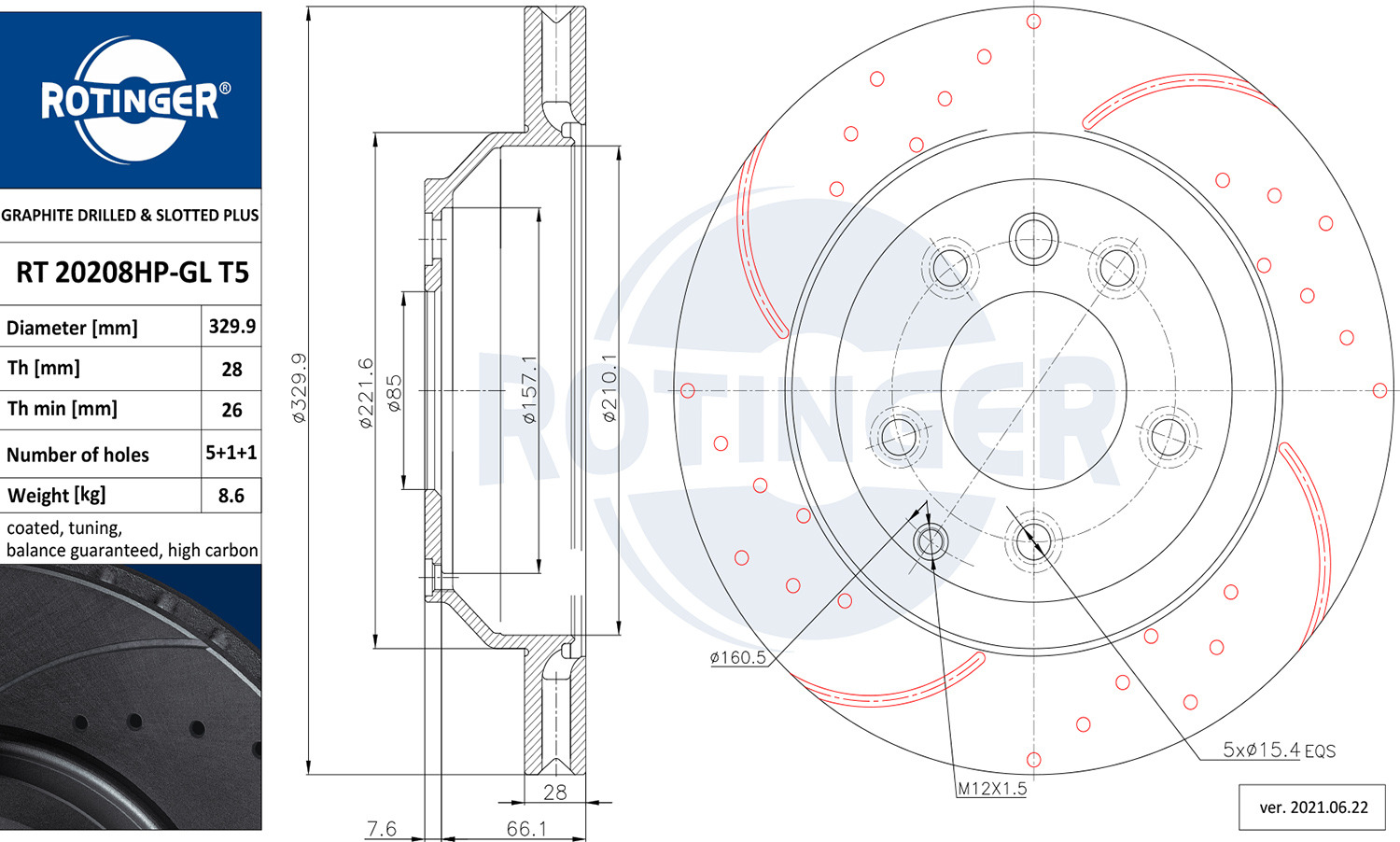
PORSCHE CAYENNE; VW TOUAREG; AUDI Q7 / 330x28мм (2 шт)
![]() | Тормозные диски ROTINGER являются образцом качественной продукции с улучшенными тормозными характеристиками и долгим сроком службы. Диски изготавливаются из высококачественного литья с твердостью 187-240 HB и обладают повышенной термостойкостью. Это снижает риск деформации диска при резком перепаде температур. Устанавливаются вместо оригинальных дисков и полностью совпадают с их заводскими параметрами.
| ||
Номер OEM | 7L6615601D; 7L6615601J; 7L8615601C; 7L8615601G; 95535240100; 95535240130; 95535240131 |
